✨Vòi lavabo lạnh WF-1M06 (FFASM106) Loven -hàng chính hãng American Standard
Mua tại Shopee
Mua tại Tiki
Mua tại Lazada
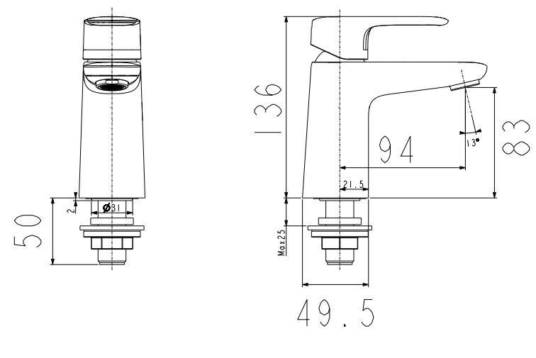
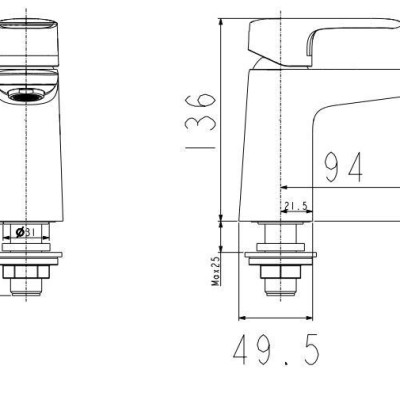
Mua tại TiktokVòi lavabo lạnh tay gật gù WF-1M06 (FFAS1M06) American Standard (vòi chưa bao gồm bộ xả và dây cấp nước) THÔNG SỐ KỸ THUẬT
- Loại sản phẩm : Vòi lạnh dùng cho chậu lavabo tay gật gù
- Chiều dài đầu vòi: 94mm
- Chiều cao vòi : 136mm
- Màu sắc : Chrome sáng bóng ĐẶC ĐIỂM NỔI BẬT
- Sản phẩm sở hữu lớp mạ Niken độ dày > 8 μm & mạ Crom có độ dày > 0.25 μm, đạt tiêu chuẩn 24 giờ ASS test cho độ sáng bóng lâu dài, chất lượng theo tiêu chuẩn cao nhất, tiện lợi trong vệ sinh và bảo quản.
- Nguyên liệu: Thân vòi hợp kim đồng nguyên chất mạ chân không, an toàn cho nguồn nước, an toàn cho sức khỏe người sử dụng.
- Tay gật gù van đóng mở nhẹ nhàng dễ dàng điều khiển
- Van đĩa có độ bền cao chống rò rỉ nước trong mọi điều kiện áp lực nước từ thấp đến cao.
- Ứng dụng vòi lavabo lạnh dùng cho lavabo rửa mặt không chỉ sử dụng để đáp ứng nhu cầu vệ sinh hàng ngày, mà còn là thiết bị góp phần làm tô thêm vẻ đẹp cho phòng tắm nhà bạn, sản phẩm được ứng dụng chủ yếu trong phòng tắm của các gia đình và trong những dự án chung cư, khách sạn, resorts, nhà hàng, khu trung tâm thương mại… CHI TIẾT SẢN PHẨM
- Thân vòi (có tay gạt + van lõi : 01 bộ
- Bộ tán chân vòi : 01 bộ
- Hướng dẫn sử dụng và bản vẽ kỹ thuật
- Phiếu bảo hành: 01 bản Bản vẽ kỹ thuật:
Mua tại Shopee
Mua tại Tiki
Mua tại Lazada
Mua tại Tiktokòi lạnh (vòi gắn tường )American Standard Winston WF-T602(FFAST602) THÔNG SỐ KỸ THUẬT - Loại sản phẩm : Vòi lạnh gắn tường - Chiều dài đầu vòi: 110mm - Áp lực nước : 0.05MPa ~ 0.75MPa
Vòi lavabo lạnh tay gạt WF-T601(FFAST601) Winston American Standard Sandrad ( vòi chưa bao gồm bộ xả và dây cấp nước) THÔNG SỐ KỸ THUẬT - Loại sản phẩm : Vòi lạnh dùng cho chậu lavabo -
THÔNG SỐ KỸ THUẬT - Loại sản phẩm : Vòi nhấn lạnh dùng cho chậu lavabo - Chiều dài đầu vòi: 100mm - Chiều cao đầu vòi: 82mm - Áp lực nước : 0.05MPa ~ 0.75MPa
Vòi lạnh (vòi gắn tường )American Standard Winston WF-T702(FFAST702) THÔNG SỐ KỸ THUẬT - Loại sản phẩm : Vòi lạnh gắn tường - Chiều dài đầu vòi: 110mm - Áp lực nước : 0.05MPa ~ 0.75MPa
Vòi lavabo lạnh tay gạt WF-T701(FFAST701) Winston American Standard Sandrad ( vòi chưa bao gồm bộ xả và dây cấp nước) THÔNG SỐ KỸ THUẬT - Loại sản phẩm : Vòi lạnh dùng cho chậu lavabo -
Vòi lavabo lạnh tay gật gù WF-1M06 (FFAS1M06) American Standard (vòi chưa bao gồm bộ xả và dây cấp nước) THÔNG SỐ KỸ THUẬT - Loại sản phẩm : Vòi lạnh dùng cho chậu lavabo tay gật
Vòi lavabo lạnh tay gật gù WF-4611 Gala American Standard (vòi chưa bao gồm bộ xả và dây cấp nước) THÔNG SỐ KỸ THUẬT - Loại sản phẩm : Vòi lạnh dùng cho chậu lavabo tay gật
Vòi hồ - vòi máy giặt Eurolife EL-118 (Trắng bạc) * Thương hiệu : Eurolife - Việt Nam * Chất liệu : Đồng , mạ Chrome * Công dụng : Cấp cho máy giặt mà
Thiết kế sang trọng hiện đại • Chất liệu inox 304 cao cấp có độ bền cao, không chứa chì đảm bảo an toàn cho nguồn nước. • Đầu vòi được thiết kế độc đáo
Van uPVC thân đúc bi nhưa ABS 90, 114mm Eurolife EL-VN (tay cam) - Thương hiệu Eurolife - Kích thước đường kính ống phù hợp: 90mm -DN80, 3inch; 110-114mm -DN100, - Tiêu chuẩn : ANSI (
- Chất liệu 100% thép không gỉ INOX SUS 304. - Sản phẩm hoàn toàn an toàn cho người sử dụng (khâu sản xuất không sử dụng bất kì thành phần có chất hoá học gây ô nhiễm cho nguồn nước). - Được công nhận bởi Thai Industrial Standard (thiết bị vệ sinh) về tiết kiệm nước. - Quy cách:
- Chất liệu 100% Thép không gỉ INOX SUS 304. - Sản phẩm hoàn toàn an toàn cho người sử dụng (khâu sản xuất không sử dụng bất kì thành phần có chất hoáhọc gây ô nhiễm cho nguồn nước). - Được công nhận bởi Thai Industrial Standard ( thiết bị vệ sinh ) về tiết kiệm nước. - Quy cách:
- Chất liệu 100% Thép không gỉ INOX SUS 304. - Sản phẩm hoàn toàn an toàn cho người sử dụng (khâu sản xuất không sử dụng bất kì thành phần có chất hoá học gây ô nhiễm cho nguồn nước). - Được công nhận bởi Thai Industrial Standard ( thiết bị vệ sinh ) về tiết kiệm nước. - Quy cách:
- Chất liệu 100% Thép không gỉ INOX SUS 304. - Sản phẩm hoàn toàn an toàn cho người sử dụng (khâu sản xuất không sử dụng bất kì thành phần có chất hoá học gây ô nhiễm cho nguồn nước). - Được công nhận bởi Thai Industrial Standard (thiết bị vệ sinh) về tiết kiệm nước. - Quy cách:
- Chất liệu 100% Thép không gỉ INOX SUS 304. - Sản phẩm hoàn toàn an toàn cho người sử dụng (khâu sản xuất không sử dụng bất kì thành phần có chất hoá học gây ô nhiễm cho nguồn nước). - Được công nhận bởi Thai Industrial Standard (thiết bị vệ sinh) về tiết kiệm nước. - Quy cách:
- Vòi Chậu Nóng Lạnh - WS-0135XL - INOX SUS 304 chất liệu 100% Thép không gỉ INOX SUS 304 - Sản phẩm hoàn toàn an toàn cho người sử dụng ( khâu sản xuất không sử dụng bất kì thành phần có chất hoá học gây ô nhiễm cho nguồn nước ). Được công nhận bởi Thai Industrial Standard ( thiết bị vệ sinh ) về tiết kiệm nước.
- Chất liệu 100% Thép không gỉ INOX SUS 304 - Sản phẩm hoàn toàn an toàn cho người sử dụng - Khâu sản xuất không sử dụng bất kì thành phần có chất hoá học gây ô nhiễm cho nguồn nước Được công nhận bởi Thai Industrial Standard về tiết kiệm nước
- Vòi Chậu Lạnh WS-0231L với chất liệu 100% thép không gỉ INOX SUS 304. - Sản phẩm hoàn toàn an toàn cho người sử dụng (khâu sản xuất không sử dụng bất kì thành phần có chất hóa học gây ô nhiễm cho nguồn nước). - Được công nhận bởi Thai Industrial Standard (thiết bị vệ sinh) về tiết kiệm nước.
- Chất liệu 100% Thép không gỉ INOX SUS 304 - Sản phẩm hoàn toàn an toàn cho người sử dụng ( khâu sản xuất không sử dụng bất kì thành phần có chất hoá học gây ô nhiễm cho nguồn nước ) - Được công nhận bởi Thai Industrial Standard ( thiết bị vệ sinh ) về tiết kiệm nước - Bảo hành : 3 năm
3.8 lít nước / 1 lần xảSự kết hợp giữa Thép không gỉ ( INOX SUS 304 ) và Đồng thau tạo ra một sản phẩm cao cấp và sang trọngSản phẩm trải qua nhiều hơn 100,000 kiểm tra trong suốt thời gian sản xuất tại nhà máy WSĐược thiết lập chế độ chống trộm Allen Key khoá 2 điểm để bảo vệ van dội nước an toàn ở nơi công cộngBảo hành : 3 năm
- Nút 2 nhấn bồn cầu HKC-HN43 hình ô van – Cỡ: 62x37mm) là Sản phẩm được thiết kế với kiểu dáng đẹp, công nghệ tiên tiến và độ bền cao, sản phẩm dễ lắp
- Vòi hồ không mỏ dùng cho nước lạnh - Chất liệu: Đồng mạ Chrome - Độ bóng sáng và độ bền cao Kích thước lắp đặt: Ø21mm (1/2")
Vòi chậu nóng lạnh KLUDI BALANCE Công nghệ, thiết kế và chất lượng tiêu chuẩn Đức Phụ kiện duy trì sản xuất 15 năm Sản phẩm KLUDI sử dụng nguyên liệu đồng theo tiêu chuẩn
VÒI XẢ, VÒI GẮN MÁY GIẶT MOEN - 9013 Vòi xả máy giặt đa chức năng Vòi xả máy giặt đa chức năng có thể dùng: xả xô, vòi rửa, gắn với ống nướ
- Bravat là thương hiệu cao cấp các sản phẩm nhà tắm thuộc sở hữu của Roman Dietsche, một nhà cung cấp thiết bị vệ sinh của Đức có bề dày lịch sử hơn 145
Thông tin chi tiết Vòi rút đồng mạ crom bóng cao cấp hai đường nước nóng lạnh mã DVU292 thương hiệu GERARI + Model: DVU292 + Tên hãng: GERARI + Chất liệu: đồng mạ crom
Vòi nước nóng dùng cho máy lọc nước nóng lạnh. Sản phẩm nhập khẩu Đài Loan Chất liệu; nhựa cứng Có khoá an toàn. Kích thước; dài 9cm (ko tính nút bấm), cao 7 cm.
Thông tin chi tiết Vòi rút đồng mạ crom bóng cao cấp, hai đường nước nóng lạnh mã DVU295 thương hiệu GERARI + Model: DVU295 + Tên hãng: GERARI + Chất liệu: đồng mạ crom
CO GIẢM 140-114 NHỰA PVC BÌNH MINH Đơn vị Tính: 1 Cái Tồn kho: Có sẵn Chất Liệu: Nhựa PVC chất lượng cao Ứng dụng: - Dùng dẫn nước sinh hoạt, - Dùng dẫn nước
Vòi rút dây cổ tròn nóng lạnh inox Tundo BR6221A Boss 420*55*210 mm Chức năng vòi rút dây, có 2 đường nước nóng lạnh, hệ thống nước chảy hoa sen và tạo bọt giúp tiết
Vòi rút dây cổ hình bầu dục nóng lạnh inox Tundo BR6220B Boss 480*55*255 mm Chức năng vòi rút dây, có 2 đường nước nóng lạnh, hệ thống nước chảy hoa sen và tạo bọt
Vòi cố định cổ hình bầu dục xoay 360 độ nóng lạnh inox Tundo Boss BV204 395*50*275 mm Hai đường nước nóng lạnh, vòi xoay 360 độ.
Vòi cố định cổ hình bầu dục xoay 360 độ nóng lạnh inox Tundo Boss BV821 420*50*275 mm Hai đường nước nóng lạnh, vòi xoay 360 độ.
*** Quý khách hàng vui lòng chọn sản phẩm nhà bán JUNO SOFA để nhận được sản phẩm đúng với chất lượng *** Ưu điểm: Thiết kế trang nhã phù hợp mọi nhà Vòi rửa
Van uPVC thân đúc bi nhưa ABS 21, 27, 34, 42, 49, 60mm Eurolife EL-VN (tay cam) - Thương hiệu Eurolife - Các size phổ biến từ 21mm, 27, 34, 42, 49, 60mm - Tiêu
Bộ 3 vòi hồ tay núm tròn nhựa PP trắng, thân dài, ren 21-27mm Eurolife EL-HN06 (Trắng) (3 cái) - Hãng sản xuất : Eurolife Việt Nam gia công (Không in logo Eurolife) - Chất
- Chất liệu 100% thép không gỉ INOX SUS 304 - Sản phẩm hoàn toàn an toàn cho người sử dụng (khâu sản xuất không sử dụng bất kì thành phần có chất hoá học gây ô nhiễm cho nguồn nước). - Được công nhận bởi Thai Industrial Standard (thiết bị vệ sinh) về tiết kiệm nước. - Quy cách:
- Chất liệu 100% Thép không gỉ INOX SUS 304. - Sản phẩm hoàn toàn an toàn cho người sử dụng (khâu sản xuất không sử dụng bất kì thành phần có chất hoá học gây ô nhiễm cho nguồn nước). - Được công nhận bởi Thai Industrial Standard (thiết bị vệ sinh) về tiết kiệm nước. - Quy cách:
- Chất liệu 100% Thép không gỉ INOX SUS 304 - Sản phẩm hoàn toàn an toàn cho người sử dụng - Khâu sản xuất không sử dụng bất kì thành phần có chất hoá học gây ô nhiễm cho nguồn nước - Được công nhận bởi Thai Industrial Standard về tiết kiệm nước
Chất liệu Thép không gỉ ( INOX SUS 304 ) Sản phẩm hoàn toàn an toàn cho người sử dụng ( khâu sản xuất không sử dụng bất kì thành phần có chất hoá học gây ô nhiễm cho nguồn nước ) Được công nhận bởi Thai Industrial Standard ( thiết bị vệ sinh ) về tiết kiệm nước Sản phẩm có khả năng chịu được trong môi trường ăn mòn, nhiều vi khuẩn và ô nhiễm
Van khóa chữ T chia hai đường nước 1 ngã cấp nước vào bồn cầu dây xịt vệ sinh, 1 ngã dùm để giảm áp lực nước Thân van được làm bằng đồng mạ chrome,
- Vòi hồ/ chén lạnh gắn tường thân dài dùng cho nước lạnh - Chất liệu: Đồng mạ Chrome Độ bóng sáng và độ bền cao Kích thước lắp đặt: Ø21mm (1/2")
Chất liệu đồng cao cấp chống gỉ sét Thiết kế sang trọng hiện đại Sử dụng công nghệ sục khí đặc biệt của Swiss Neoperl có tác dụng làm sạch và mềm độ cứng của
Vòi Nước Nóng Lạnh DCD G-2006 * Thiết kế: sang trọng tinh tế với gam màu rose gold quý phái, thiết kế uốn lượn trang nhã * Chất liệu: Vòi Nước Nóng lạnh DCD G-2006
Vòi hồ dài nhựa ABS mạ Chrome Eurolife EL-HN03 (Trắng bạc) * Hãng sản xuất : Eurolife Việt Nam * Chất liệu : Sản phẩm được đúc từ nhựa ABS chịu lực cao, mạ Chrome
Chất liệu: đồng Xử lý bề mặt: Mạ crom sáng bóng Kích thước: 110x117x20mm Lõi van đồng tự động đóng khi rút vòi nối (hoặc vòi bị tuột) tiết kiệm nước Công năng: tự ngắt
Chào Bạn, có phải Bạn đang muốn tìm hiểu vòi xả nước lạnh gắn tường Pimisi PV-27, hàng chính hãng Pimisi được làm từ chất liệu đồng thau, mạ Crom - Niken sáng bóng cao cấp. Đáp ứng
Bộ Trộn Nổi GROHE BAUCLASSIC 2 Chế Độ - Thương hiệu: GROHE - Sản phẩm: Vòi bồn tắm - Bộ sưu tập: GROHE BAUCLASSIC - Cân nặng sau đóng gói: 2.195 kg -
Vòi Chậu GROHE EUROCUBE Size S - Thương hiệu: GROHE - Sản phẩm: Vòi chậu - Bộ sưu tập: GROHE EUROCUBE - Cân nặng sau đóng gói: 1.785 kg - Màu sắc: Chrome
Bộ Trộn Nổi Ổn Nhiệt GROHE GROHTHERM 800 Kèm Vòi Xả Bồn - Thương hiệu: GROHE - Sản phẩm: Vòi bồn tắm - Bộ sưu tập: GROHE GROHTHERM - Cân nặng sau đóng
Vòi Chậu GROHE EUROSTYLE COSMOPOLITAN Size S - Thương hiệu: GROHE - Sản phẩm: Vòi chậu - Bộ sưu tập: GROHE EUROSTYLE COSMOPOLITAN - Cân nặng sau đóng gói: 1.55kg - Màu sắc:
Vòi rửa đa năng thân cao GR 8605C Mã sản phẩm: GR8605C Thương hiệu: GROVES - Chất liệu: đồng 59% và các thành phần khác, nguyên bản - Áp lực nước: 0.05MPa ~ 0.65MPa - Thiết
- Bravat là thương hiệu cao cấp các sản phẩm nhà tắm thuộc sở hữu của Roman Dietsche, một nhà cung cấp thiết bị vệ sinh của Đức có bề dày lịch sử hơn 145
· Brass Body · Zinc Handle · Yizhan 25mm Ceramic Cartridge · Neoperl easy clean Aerator · 650mm M10 G1/2 SS Hoses 2pcs · Push up pop up waste · Finish: White + Rose Gold
Vòi Hồ EMPIRE 503 - Chất liệu: Inox 304 - Kiểu dáng: Đẹp, sáng bóng, không gỉ, độ bền - Chế độ: 1 đường nước - Thao tác lắp đặt đơn giản, giúp bạn có
Đầu Gắn Vòi Rửa Chén Tăng Áp Vòi Xoay 720 độ Lắp Vòi Nước Bồn Rửa Mặt Lavabo 2 Chế Độ Xả Nước - Thiết Kế Hiện Đại, Đa Năng Với 2 Chế Độ Xả
Vòi rút dây cổ tròn nóng lạnh inox Tundo BR6221B Boss 420*55*220 mm Chức năng vòi rút dây, có 2 đường nước nóng lạnh, hệ thống nước chảy hoa sen và tạo bọt giúp tiết
Vòi rút dây cổ hình bầu dục nóng lạnh inox Tundo BR6220A Boss 470*55*250 mm Chức năng vòi rút dây, có 2 đường nước nóng lạnh, hệ thống nước chảy hoa sen và tạo bọt
Vòi cố định cổ hình bầu dục xoay 360 độ nóng lạnh inox Tundo Boss BV901 395*50*275 mm Hai đường nước nóng lạnh, vòi xoay 360 độ.
Vòi cố định cổ hình bầu dục xoay 360 độ nóng lạnh inox Tundo Boss BV6222 360*55*320 mm Hai đường nước nóng lạnh, vòi xoay 360 độ.
👁️ 181 | ⌚2025-10-06 00:30:12.172
Vòi Lavabo Nóng Lạnh Inox Sơn Tĩnh Điện Xám TTCERA LB268
EasyFLO™ | 3 LÝ DO NÊN MUA VÒI AMERICAN STANDARD WF-T823 | Khalinguyen.vn
AMERICAN STANDARD WF-1M11 - Mở hộp Vòi sen tắm nóng lạnh Loven - VUATHIETBI.COM
AMERICAN STANDARD WF-B211H - Mở hộp Bộ tay sen tăng áp - VUATHIETBI.COM
Phú Đông Phát - Review Vòi Lavabo Nóng Lạnh American Standard WF-B201 Slimplica
Vòi lavabo lạnh American Standard WF-1M06 thiết kế tối giản, siêu dễ phối mọi không gian

Túi chống sốc chính hãng TOMTOC (USA) Felt & PU Leather - H16-E01 cho Macbook 15-16 inch/Dell XPS 15
Vòi Lavabo Nóng Lạnh Inox Sơn Tĩnh Điện Xám TTCERA LB268
EasyFLO™ | 3 LÝ DO NÊN MUA VÒI AMERICAN STANDARD WF-T823 | Khalinguyen.vn
AMERICAN STANDARD WF-1M11 - Mở hộp Vòi sen tắm nóng lạnh Loven - VUATHIETBI.COM
AMERICAN STANDARD WF-B211H - Mở hộp Bộ tay sen tăng áp - VUATHIETBI.COM
Phú Đông Phát - Review Vòi Lavabo Nóng Lạnh American Standard WF-B201 Slimplica
Vòi lavabo lạnh American Standard WF-1M06 thiết kế tối giản, siêu dễ phối mọi không gian

Túi chống sốc chính hãng TOMTOC (USA) Felt & PU Leather - H16-A01 cho iPad 9.7-11 inch/Pro M1/Surface Go/Samsung Galaxy Tab TOMTOC (USA) là một thương hiệu nổi tiếng ở Mỹ, ra đời đầu năm 2015 chuyên sản xuất những sản phẩm
Túi chống sốc chính hãng TOMTOC (USA) Felt & PU Leather - H16-E01 Macbook 15-16 inch/Dell XPS 15 TOMTOC (USA) là một thương hiệu nổi tiếng ở Mỹ, ra đời đầu năm 2015 chuyên sản xuất những sản phẩm như túi chống
Thông số kỹ thuật Máy xay ép đa năng Khaluck KL-360 Hãng sản xuất/Model: Khaluck KL-360 Dung tích: 1.25 lít Loại: Máy xay ép đa năng Chất liệu: Thủy tinh cao cấp Tính năng: Đa
Nồi cơm điện nắp rời Sharp 1.8 lít KSH-D18V - Thiết kế nhỏ gọn, ấn tượng cùng gam màu tươi sáng - Vỏ nồi được làm bằng thép không gỉ cao cấp chịu nhiệt chịu
Đặc tính sản phẩm: Công suất: 1850 – 2200W Dung tích: 1.7 lít Điều chỉnh nhiệt độ hiển thị trực tiếp trên thân máy: 40° - 50° - 60° - 70° -
BỘ VEST TRẺ EM CATRIO PCT D20 là bộ đồ vest bé trai từ 2 tuổi 12kg đến 7 tuổi 28kg, vải dạ cao cấp mềm mượt gồm 3 chi tiết áo vest bé trai,
BẢO HÀNH 12 THÁNG 1 ĐỔI 1 TRONG 2 TUẦN SỬ DỤNG ️ shop cam kết giao đúng sản phẩm như trên bài đăng ️ 1 đổi 1 trong 2 tuần đầu sử dụng nếu
Bộ dao Tefal Comfort K221S244 15cm và 12cm
- Ulanzi UKA07 thiết kế nhỏ gọn, bền từ hợp kim nhôm CNC, nặng 94g, chịu tải 10kg, kẹp và tháo lắp nhanh balo/thắt lưng, khóa kẹp 3 mức ôm chắc dây 10mm×70mm với lót silicone
- Mã sản phẩm: JD-N300 - Công nghệ chip LED: 144 bóng led SMD 2835 - Không gian chiếu sáng: 100m2 - Thân đèn solar: Võ nhựa ABS - Đúc liền khối - Kích thước
The Secret Of Secrets - A Novel The world’s most celebrated thriller writer returns with his most stunning novel yet—a propulsive, twisty, thought-provoking masterpiece that will entertain readers as only Dan Brown can do. Robert
Premium Boxset Thanh Gươm Diệt Quỷ - Kimetsu No Yaiba (Hộp 23 Tập) "Hiện tượng Manga toàn cầu" - Tác phẩm chinh phục hàng triệu độc giả trên khắp thế giới - Nhân kỉ niệm
Kính chào Quý khách, chào mừng quý khách đến với gian hàng của chúng tôi, chúc Quý khách một ngày tốt lành và mua sắm vui vẻ. Dưới đây là một số thông tin tham
Kính chào Quý khách, chào mừng quý khách đến với gian hàng của chúng tôi, chúc Quý khách một ngày tốt lành và mua sắm vui vẻ. Dưới đây là một số thông tin tham
Kính chào Quý khách, chào mừng quý khách đến với gian hàng của chúng tôi, chúc Quý khách một ngày tốt lành và mua sắm vui vẻ. Dưới đây là một số thông tin tham
Kính chào Quý khách, chào mừng quý khách đến với gian hàng của chúng tôi, chúc Quý khách một ngày tốt lành và mua sắm vui vẻ. Dưới đây là một số thông tin tham
Kính chào Quý khách, chào mừng quý khách đến với gian hàng của chúng tôi, chúc Quý khách một ngày tốt lành và mua sắm vui vẻ. Dưới đây là một số thông tin tham
Kính chào Quý khách, chào mừng quý khách đến với gian hàng của chúng tôi, chúc Quý khách một ngày tốt lành và mua sắm vui vẻ. Dưới đây là một số thông tin tham
Kính chào Quý khách, chào mừng quý khách đến với gian hàng của chúng tôi, chúc Quý khách một ngày tốt lành và mua sắm vui vẻ. Dưới đây là một số thông tin tham
Kính chào Quý khách, chào mừng quý khách đến với gian hàng của chúng tôi, chúc Quý khách một ngày tốt lành và mua sắm vui vẻ. Dưới đây là một số thông tin tham